Závesové tyče
Závesová tyč je určená na uchytenie sprchového závesu v kúpeľni.
Vyrábame ju v troch prevedeniach:
- závesová tyč
– dĺžka 900, 1 200, 1 500 mm (na zákazku je možné vyrobiť aj iný rozmer), slúži na pripevnenie na dve steny - závesová tyč rohová
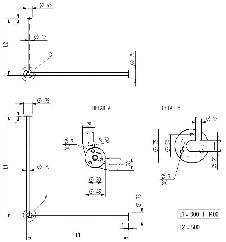
– rozmery 900 x 900 mm, 1 400 x 1 400 mm (na zákazku je možné vyrobiť aj iný rozmer), slúži na upevnenie do rohu miestnosti so stropným uchytením, L = 500 mm, s prírubami - závesová tyč v tvare U
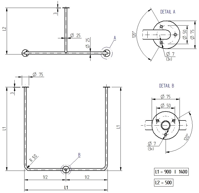
-rozmery 900 x 900 x 900 mm, 1 400 x 1 400 x 1400 mm (na zákazku je možné vyrobiť aj iný rozmer), slúži na upevnenie na jednu stenu so stropným uchytením, L=500 mm, s prírubami.
Závesové tyče sa vyrábajú v povrchových úpravách:
- Lesklá
- Kartáčovaná (brus)
Kompletná dodávka
- Závesová tyč
- Upevňovací materiál
- závesová tyč
- Dĺžka 900, 1200, 1500 mm
- rúrka: d=25 mm;
- závesová tyč rohová
- Rozmery 900 x 900 mm a 1 400 x 1 400 mm
- rúrka: d=25 mm;
- Stropné uchytenie 500 mm; nerez. rúrka d=12 mm
- závesová tyč v tvare U
- Rozmery 900 x 900 x 900 mm a 1400 x 1400 x 1400 mm
- rúrka: d=25 mm
- Stropné uchytenie 500 mm; nerez. rúrka d=12 mm

K montáži použite vrták zodpovedajúceho priemeru, podľa priložených hmoždiniek. Na pripevnenie na stenu, pomocou priložených skrutiek a hmoždiniek, je nutné využiť všetky kotviace otvory.
Priložený kotviaci materiál je určený pre dostatočne nosné steny (plná tehla, betón). Pre steny z iných materiálov je nutné zvoliť zodpovedajúci kotviaci materiál.
Závesová tyč

Závesová tyč rohová

Závesová tyč v tvare U



